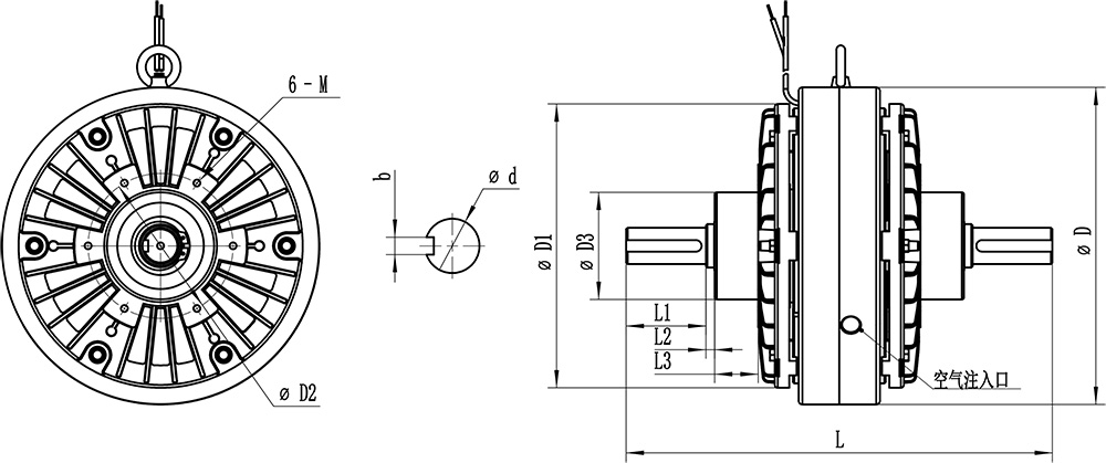
法蘭式磁粉離合器外形尺寸

| 型號 | 額定轉矩(N.m) | 激磁電流(A) | 允許滑差功率(KW) | 重量(kg) | d | D | D1 | D2 | D3 | L | L1 | L2 | M | b |
| FL-0.2 | 2 | 0.6 | 0.026 | 6.5 | 12 | 134 | 78 | 65 | 42 | 158 | 30 | 18 | 6 | 4 |
| FL-0.6 | 6 | 0.9 | 0.065 | 7.5 | 12 | 134 | 78 | 65 | 42 | 158 | 30 | 18 | 6 | 4 |
| FL-1.2 | 12 | 1 | 0.085 | 9 | 15 | 152 | 80 | 65 | 50 | 190 | 30 | 20 | 6 | 5 |
| FL-2.5 | 25 | 1.5 | 0.12 | 10 | 20 | 182 | 95 | 78 | 62 | 220 | 43 | 20 | 6 | 6 |
| FL-5 | 50 | 2.3 | 0.3 | 15 | 25 | 220 | 120 | 100 | 74 | 278 | 60 | 23 | 6 | 8 |
| FL-10 | 100 | 2.5 | 0.7 | 42 | 30 | 288 | 160 | 140 | 100 | 344 | 65 | 30 | 10 | 8 |
| FL-20 | 200 | 2.5 | 0.7 | 65 | 35 | 335 | 174 | 150 | 110 | 365 | 65 | 35 | 10 | 10 |
| FL-40 | 400 | 3 | 1 | 105 | 45 | 395 | 230 | 200 | 130 | 460 | 95 | 36 | 12 | 14 |
| FL-100 | 1000 | 3 | 2.5 | 200 | 65 | 520 | / | 475 | 440 | 612 | 100 | 237 | 16 | 18 |